Question
How does a linear electronic voltage regulator work?
Answer Options
- A) It has a ramp voltage as its output
- B) It eliminates the need for a pass transistor
- C) The control element duty cycle is proportional to the line or load conditions
- D) The conduction of a control element is varied to maintain a constant output voltage
Correct Answer: D
Explanation
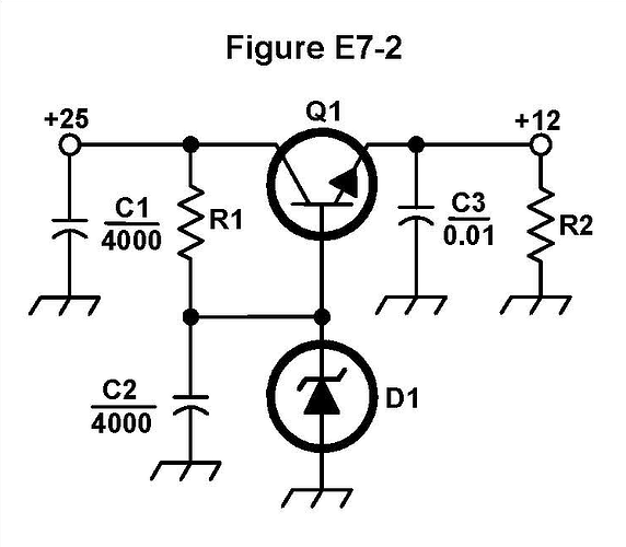
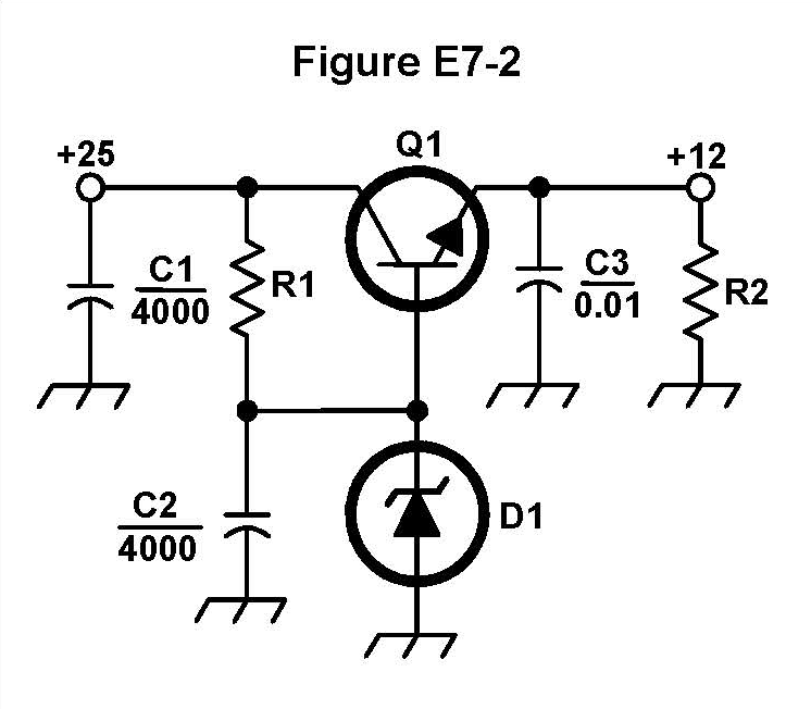
A linear voltage regulator (such as the circuit in Figure E7-2) operates by dissipating excess voltage as heat to maintain a stable DC output voltage, regardless of input voltage fluctuations or output load current changes. It is a continuous, analog control system that manages the power flow.
A linear regulator works by varying the resistance (conduction) of a series control element (typically a pass transistor) to continuously drop the input voltage down to the desired stable output voltage. This varying conduction of the control element is precisely adjusted by a feedback loop to maintain a constant output voltage, with the excess voltage being converted to heat by the series pass transistor.
This topic was automatically created to facilitate community discussion about this exam question. Feel free to share study tips, memory tricks, or additional explanations!
