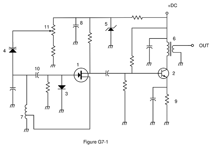
Question
Which symbol in Figure G7-1 represents a solid core transformer?
Answer Options
- A) Symbol 4
- B) Symbol 7
- C) Symbol 6
- D) Symbol 1
Correct Answer: C
Explanation
A transformer is a device that transfers electrical energy from one circuit to another through magnetic coupling, using a primary and a secondary winding. The schematic symbol must indicate how the two windings are magnetically linked.
Symbol 6 represents a transformer with a solid core (or iron core). This is shown by the two parallel lines drawn between the primary and secondary windings. These lines indicate the presence of a ferromagnetic core material, which provides high magnetic coupling. In contrast, a transformer without these lines (an air-core transformer) is typically used in RF applications.
This topic was automatically created to facilitate community discussion about this exam question. Feel free to share study tips, memory tricks, or additional explanations!
